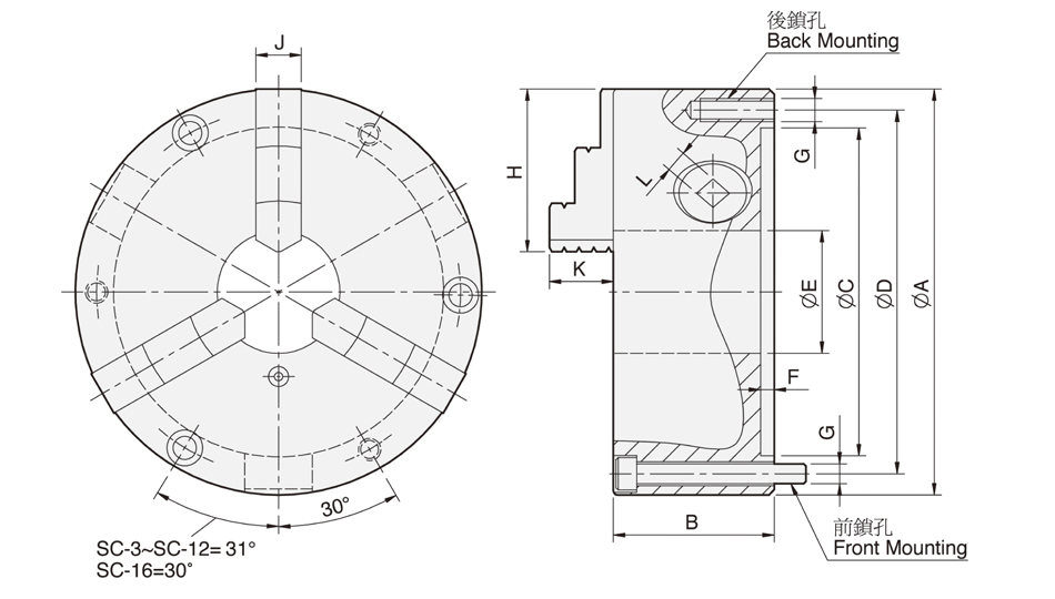
SC手动卡盘尺寸图




电 话: 0755-85256595
手 机: 13760394166 (陈生)
邮 箱: 348522232@qq.com
亿川SC手动卡盘
三爪連動夾頭(前後鎖共用)
三爪連動夾頭(前後鎖共用)
正、反爪,可以換使用。
適合使用於大量工作的生產作業,具經濟性及耐用性。
精度0.03mm (0.0012”) T.I.R.。
本體材質採米漢納鑄鐵,適用於高速迴轉;且具高於一般材質3倍之耐用性
SC手动卡盘资料下载
SC手动卡盘尺寸图



热线电话
13760394166
上班时间
周一到周五
公司电话
13760394166